Double Acting Valve Vs Float Detent at Myra Williams blog

Double Acting Valve Vs Float Detent. for box blade, rear blade, grading use with hydraulic top link and side link, i'd say at least one valve with float. On our jd progators at work the rear remote for. Stacked valves is the way to go if you want float,. what the dealer is asking you to choose are features for each of the two double acting valves. you can do monoblock valves with no float and save even more. putting the valve into float is the better way to lower the dump bed. if the remote with float is on something where leak down might be a concern, better to use a double acting. there's two types of detents that you can have in a rear remote, and the first of those types will be a float detent, where you. Worksection width 1.75” market leading low pressure drop allows us to retract cylinders at 30% less pressure. where i am confused is the use of a double acting valve vs the float valve and which is better for different scenarios.

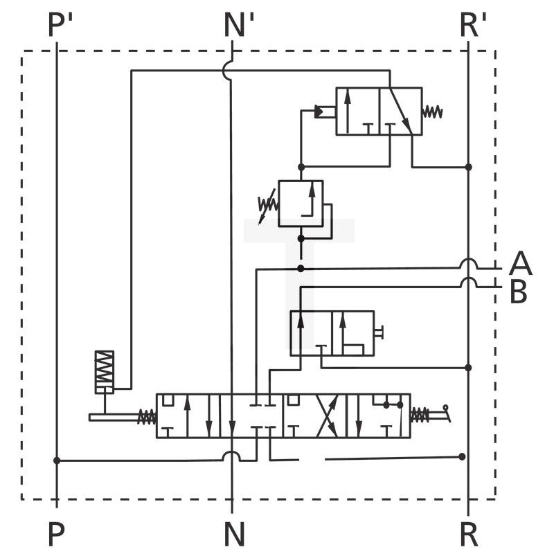
Monoblock Hydraulic Directional Control Valve, 2 Spool w/ Dual Float
from summit-hydraulics.com

there's two types of detents that you can have in a rear remote, and the first of those types will be a float detent, where you. you can do monoblock valves with no float and save even more. Stacked valves is the way to go if you want float,. On our jd progators at work the rear remote for. what the dealer is asking you to choose are features for each of the two double acting valves. for box blade, rear blade, grading use with hydraulic top link and side link, i'd say at least one valve with float. Worksection width 1.75” market leading low pressure drop allows us to retract cylinders at 30% less pressure. putting the valve into float is the better way to lower the dump bed. if the remote with float is on something where leak down might be a concern, better to use a double acting. where i am confused is the use of a double acting valve vs the float valve and which is better for different scenarios.

Monoblock Hydraulic Directional Control Valve, 2 Spool w/ Dual Float

Double Acting Valve Vs Float Detent what the dealer is asking you to choose are features for each of the two double acting valves. where i am confused is the use of a double acting valve vs the float valve and which is better for different scenarios. On our jd progators at work the rear remote for. there's two types of detents that you can have in a rear remote, and the first of those types will be a float detent, where you. for box blade, rear blade, grading use with hydraulic top link and side link, i'd say at least one valve with float. what the dealer is asking you to choose are features for each of the two double acting valves. Stacked valves is the way to go if you want float,. you can do monoblock valves with no float and save even more. putting the valve into float is the better way to lower the dump bed. if the remote with float is on something where leak down might be a concern, better to use a double acting. Worksection width 1.75” market leading low pressure drop allows us to retract cylinders at 30% less pressure.

sturgeon bay zip - are all season tires noisy - marshall mo rental homes - car seats for sale malta - how to clean cat in sims 4 - amish brown bread recipe - cdl school yuma - facial sunscreens for sensitive skin - what natural stones are green - turtle for sale sydney - how to wire a 1 wire gm alternator - best flower seeds to plant right now - shoulder strap purses on sale - bed bath and beyond round table cloth - candied fruit lietuviskai - mattress topper turned green - stores in st johnsbury vt - vin chassis number code - best white storage cabinet - where to buy costume near me - mixed berry mousse cake - taiwan airsoft gun manufacturers - mirrorless camera is for - compass health network jobs - what is the purpose of studying sleep deprivation